Használati útmutató Start International ZCM2500
Olvassa el alább 📖 a magyar nyelvű használati útmutatót Start International ZCM2500 (17 oldal) a nincs kategorizálva kategóriában. Ezt az útmutatót 15 ember találta hasznosnak és 8 felhasználó értékelte átlagosan 4.0 csillagra
Oldal 1/17

®
zcM1500 / zcM2500
ELECTRONIC NON-ADHESIVE MATERIAL CUTTER
Thank you for purchasing the START International zcM1500 or zcM2500 electronic non-adhesive material
cutter. The zcM2500 has the same features as the zcM1500 but with an added safety guard cutter. The
zcM1500 and zcM2500 are designed for cutting ONLY NON-ADHESIVE MATERALS. Do not use with any adhe-
sive materials. They are capable of feeding and cutting non-adhesive materials such as tubing, wiring and
non-adhesive tapes (up to 50mm) in width.
Please refer to the zcM1100 manual for basic operation as the functionality is the same.
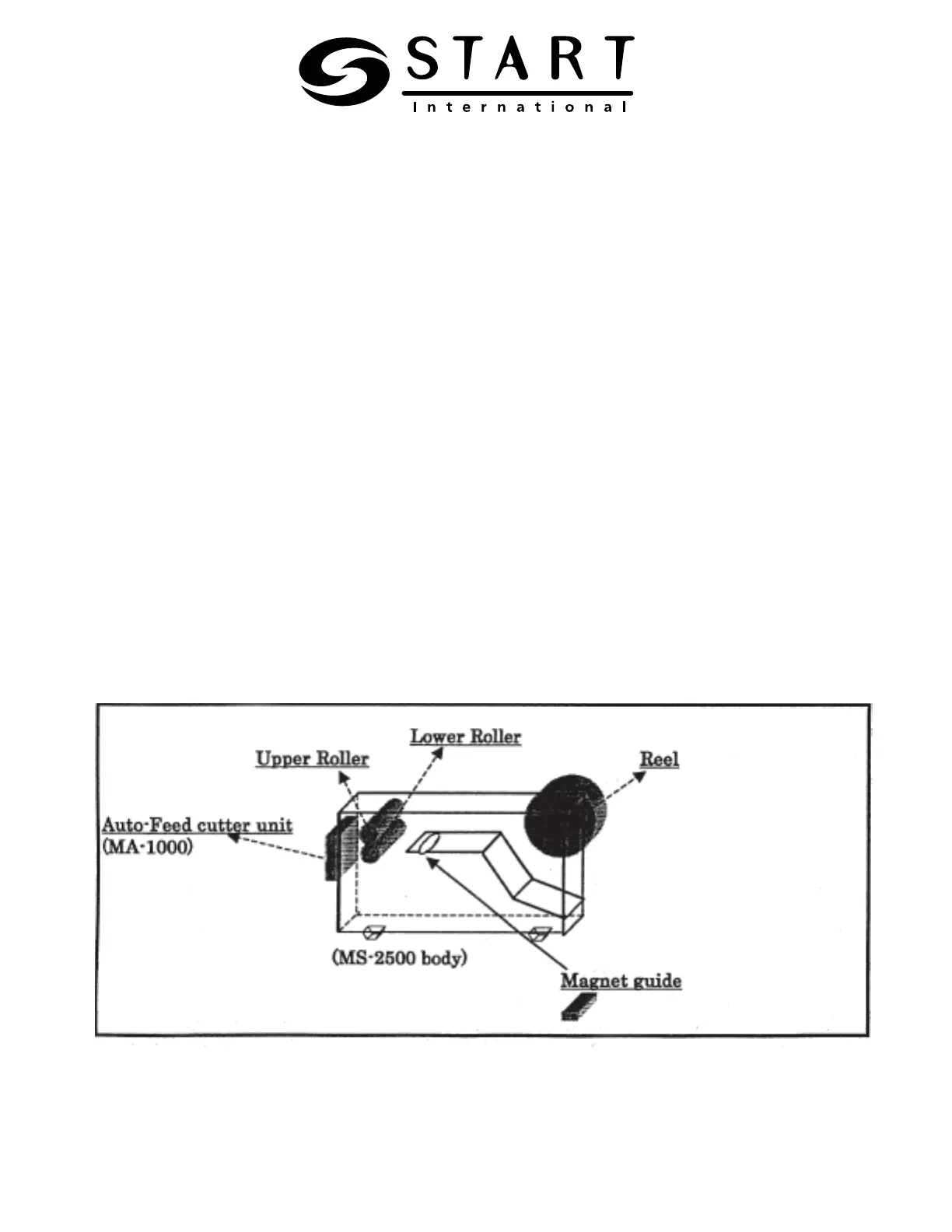
TO SET NON-ADHESIVE MATERIALS
1) Remove the reel
2) Load your material onto the reel and place loaded reel on the zcM2500
* Standard 3-inch reel is included. Other sizes are optional, please contact your dealer.
*Ensure material is centered on the reel to prevent jamming.
3) Place edge of material between upper and lower roller and feed slowly by
L (Feed) button
4) To help smooth feeding use enclosed magnet guide.
TO SET MAGNET GUIDE
Place magnet guide onto the flat surface behind the rollers. Then slowly and adjust the metal guide
according to width of material.
CAUTION
There are many kinds of non-adhesive materials. Depending on characteristics or thickness certain non
adhesive materials may not work with this machine. If you find any difficulty cutting material, please contact
your dealer. Low adhesive materials can not be cut.
www.STARTinternational.com


Termékspecifikációk
Márka: | Start International |
Kategória: | nincs kategorizálva |
Modell: | ZCM2500 |
Szüksége van segítségre?
Ha segítségre van szüksége Start International ZCM2500, tegyen fel kérdést alább, és más felhasználók válaszolnak Önnek
Útmutatók nincs kategorizálva Start International
29 Augusztus 2024
29 Augusztus 2024
Útmutatók nincs kategorizálva
- nincs kategorizálva AvaValley
- nincs kategorizálva Trace Elliot
- nincs kategorizálva RAM Mounts
- nincs kategorizálva Mamiya
- nincs kategorizálva Inglesina
- nincs kategorizálva Frequency Central
- nincs kategorizálva Gra-Vue
- nincs kategorizálva TomTom
- nincs kategorizálva Crayola
- nincs kategorizálva Multimetrix
- nincs kategorizálva Morphy Richards
- nincs kategorizálva Geemarc
- nincs kategorizálva Ravensburger
- nincs kategorizálva Rossi
- nincs kategorizálva Maktec
Legújabb útmutatók nincs kategorizálva
10 Április 2025
10 Április 2025
10 Április 2025
9 Április 2025
9 Április 2025
9 Április 2025
9 Április 2025
9 Április 2025
9 Április 2025
9 Április 2025