Használati útmutató Alphacool Core Distro Plate 360
Alphacool
nincs kategorizálva
Core Distro Plate 360
Olvassa el alább 📖 a magyar nyelvű használati útmutatót Alphacool Core Distro Plate 360 (4 oldal) a nincs kategorizálva kategóriában. Ezt az útmutatót 21 ember találta hasznosnak és 11 felhasználó értékelte átlagosan 4.3 csillagra
Oldal 1/4

1x
240 or 360
Distroplate
A
1x
VPP Pump*
C
1x
M4 Allen Key
E
6x
Core Push
Mount Set
G
1x
O-Ring
53x3.5mm*
B
F
3x
Screw Plug
+2 for 360
4x
M4x22
Pump Screw
D
1x
ARGB
Adaptor
H
Safety instructions
Sicherheitshinweise
Avis de sécurité
!
!
Digital guide
Digitale Anleitung
Guide digital
EN DE FR
Accessories Zubehör Accessoires
A
C
D
B
EN DE FR
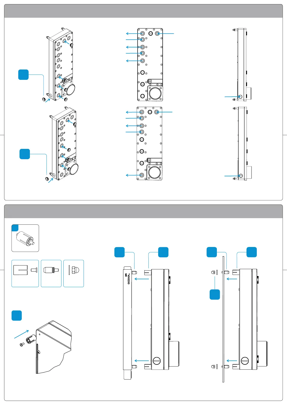
Pump installation Pumpenmontage Montage de la pompe
3
2
4
1
E
Alphacool
CORE DISTRO PLATE SERIES
*Only applies to Preassembled Version, ‘standalone’ Version
does not have a pump supplied.
*Gilt nur für die vormontierte Version, bei der "standalone"
Version wird keine Pumpe mitgeliefert.
*Ne s'applique qu'à la version préassemblée, la version
"standalone" ne comprend pas de pompe.
* Please tighten the screws cross-wise at 1.5 Nm. * Bitte ziehen Sie die Schrauben über Kreuz auf 1.5 Nm fest. * Veuillez serrer les vis en croix à 1.5 Nm.

Drain port
Radiator OUTRadiator IN
CPU OUT
CPU IN
GPU OUT
Single GPU IN
Drain port
Radiator OUTRadiator IN
CPU OUT
CPU IN
GPU OUT
Sli Configuration*
EN DE FR
Configuration options Konfigurationsmöglichkeiten Options de configuration
1
2
3
Panel Mounting
1
1
2
Radiator Mounting
1 2 3
=
G
EN DE FR
Push Pin mounting Push Pin Montage Montage des pins de pression
FFF
FFF
* Please choose the port closest to your GPU configuration. * Bitte wählen Sie den Anschluss, der Ihrer GPU-Konfiguration
am nächsten kommt.
* Veuillez choisir le port le plus proche de la configuration de
votre GPU.

Aurora
Eiscontrol
Article no.:
15360
DETAIL
A
MASSSTAB 2
: 1
Mainboard
ARGB Header
++
EN DE FR
Connect ARGB lighting ARGB Beleuchtung anschließen Connecter l'éclairage ARGB
H
EN DE FR
Filling and Bleeding Füllen und Entlüften Remplissage et saignée
Fill your finished loop with your desired
coolant (we recommend in-house products
only) and power the pump to fill.
Once filled, run the pump until all of the air is
purged from the system.
You will notice air may collect in the Radiator
return feed, this is normal and is expected.
To remove the final air pocket in the radiator
line, please power off the pump and tip the
PC over, with the return feed
at the lowest point to move the air into the
main reservoir, top up the fluid level once
this step has been completed.
Füllen Sie den fertigen Kreislauf mit der
gewünschten Kühlflüssigkeit (wir empfehlen
ausschließlich hauseigene Produkte) und
schalten Sie die Pumpe zum Befüllen ein.
Nach dem Befüllen lassen Sie die Pumpe
laufen, bis die gesamte Luft aus dem
System entfernt ist.
Sie werden feststellen, dass sich im
Kühlerrücklauf Luft ansammeln kann, das ist
normal und wird erwartet.
Um die letzte Lufttasche in der Kühlerleitung
zu entfernen, schalten Sie die Pumpe aus
und kippen Sie den PC um, wobei sich die
Rücklaufleitung am tiefsten Punkt befindet,
um die Luft in den Haupttank zu befördern.
Remplissez la boucle terminée avec le
liquide de refroidissement de votre choix
(nous recommandons uniquement les
produits de fabrication interne) et actionnez
la pompe pour remplir.
Une fois rempli, faites fonctionner la pompe
jusqu'à ce que tout l'air soit purgé du
système.
Vous remarquerez que de l'air peut
s'accumuler dans l'alimentation de retour du
radiateur, ceci est normal et attendu.
Pour éliminer la dernière poche d'air dans la
ligne du radiateur, veuillez éteindre la
pompe et basculer le PC, avec l'alimentation
de retour au point le plus bas pour déplacer
l'air dans le réservoir principal, complétez
le niveau de liquide une fois cette étape
terminée.
Termékspecifikációk
Márka: | Alphacool |
Kategória: | nincs kategorizálva |
Modell: | Core Distro Plate 360 |
Szüksége van segítségre?
Ha segítségre van szüksége Alphacool Core Distro Plate 360, tegyen fel kérdést alább, és más felhasználók válaszolnak Önnek
Útmutatók nincs kategorizálva Alphacool
4 Szeptember 2024
4 Szeptember 2024
29 Augusztus 2024
28 Augusztus 2024
28 Augusztus 2024
28 Augusztus 2024
28 Augusztus 2024
28 Augusztus 2024
28 Augusztus 2024
28 Augusztus 2024
Útmutatók nincs kategorizálva
- nincs kategorizálva Kindercraft
- nincs kategorizálva Apart
- nincs kategorizálva Mad Dog
- nincs kategorizálva GFB
- nincs kategorizálva Nearity
- nincs kategorizálva Source Audio
- nincs kategorizálva ProfiCook
- nincs kategorizálva Rosseto
- nincs kategorizálva Eltako
- nincs kategorizálva BIOS Living
- nincs kategorizálva Juki
- nincs kategorizálva Safety 1st
- nincs kategorizálva AJH Synth
- nincs kategorizálva Camec
- nincs kategorizálva Noordi
Legújabb útmutatók nincs kategorizálva
10 Április 2025
10 Április 2025
10 Április 2025
9 Április 2025
9 Április 2025
9 Április 2025
9 Április 2025
9 Április 2025
9 Április 2025
9 Április 2025